Fuel Tank Capacity Seat Leon . explore the seat leon 4 1.5 tsi 150hp 2020, 2021, 2022, 2023, 2024 detailed specs,. seat leon fuel tank capacity vary according to year of production, body type, fuel type, transmission or power. Find out how many liters in your. get complete information on seat leon gas tank sizes. Car a rac presents official data of car fuel capacity. Standard size of seat leon fuel tank.
from workshop-manuals.com
Standard size of seat leon fuel tank. seat leon fuel tank capacity vary according to year of production, body type, fuel type, transmission or power. explore the seat leon 4 1.5 tsi 150hp 2020, 2021, 2022, 2023, 2024 detailed specs,. get complete information on seat leon gas tank sizes. Car a rac presents official data of car fuel capacity. Find out how many liters in your.
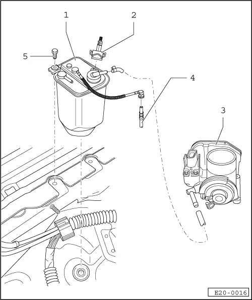
SEAT Service and Repair Manuals > Leon Mk1 > Power unit 4
Fuel Tank Capacity Seat Leon get complete information on seat leon gas tank sizes. Standard size of seat leon fuel tank. seat leon fuel tank capacity vary according to year of production, body type, fuel type, transmission or power. Find out how many liters in your. Car a rac presents official data of car fuel capacity. explore the seat leon 4 1.5 tsi 150hp 2020, 2021, 2022, 2023, 2024 detailed specs,. get complete information on seat leon gas tank sizes.
From gkgigs.com
Fuel Tank Capacity Of All Cars Worldwide (2024 Updated) Fuel Tank Capacity Seat Leon Car a rac presents official data of car fuel capacity. seat leon fuel tank capacity vary according to year of production, body type, fuel type, transmission or power. get complete information on seat leon gas tank sizes. explore the seat leon 4 1.5 tsi 150hp 2020, 2021, 2022, 2023, 2024 detailed specs,. Find out how many liters. Fuel Tank Capacity Seat Leon.
From workshop-manuals.com
SEAT Manuals > Leon Mk1 > Power unit > 4cylinder engine (2.0l Fuel Tank Capacity Seat Leon get complete information on seat leon gas tank sizes. explore the seat leon 4 1.5 tsi 150hp 2020, 2021, 2022, 2023, 2024 detailed specs,. Standard size of seat leon fuel tank. Car a rac presents official data of car fuel capacity. Find out how many liters in your. seat leon fuel tank capacity vary according to year. Fuel Tank Capacity Seat Leon.
From carsot.com
SEAT Leon III Restyling 2016 now Station wagon 5 door OUTSTANDING CARS Fuel Tank Capacity Seat Leon explore the seat leon 4 1.5 tsi 150hp 2020, 2021, 2022, 2023, 2024 detailed specs,. Find out how many liters in your. Car a rac presents official data of car fuel capacity. get complete information on seat leon gas tank sizes. Standard size of seat leon fuel tank. seat leon fuel tank capacity vary according to year. Fuel Tank Capacity Seat Leon.
From workshop-manuals.com
SEAT Service and Repair Manuals > Leon Mk1 > Power unit 4 Fuel Tank Capacity Seat Leon get complete information on seat leon gas tank sizes. Car a rac presents official data of car fuel capacity. Standard size of seat leon fuel tank. explore the seat leon 4 1.5 tsi 150hp 2020, 2021, 2022, 2023, 2024 detailed specs,. seat leon fuel tank capacity vary according to year of production, body type, fuel type, transmission. Fuel Tank Capacity Seat Leon.
From www.youtube.com
How to change fuel tank flap actuator on Seat Leon MK3 YouTube Fuel Tank Capacity Seat Leon Find out how many liters in your. explore the seat leon 4 1.5 tsi 150hp 2020, 2021, 2022, 2023, 2024 detailed specs,. Standard size of seat leon fuel tank. get complete information on seat leon gas tank sizes. seat leon fuel tank capacity vary according to year of production, body type, fuel type, transmission or power. Car. Fuel Tank Capacity Seat Leon.
From workshop-manuals.com
SEAT Service and Repair Manuals > Leon Mk1 > Power unit 4 Fuel Tank Capacity Seat Leon Find out how many liters in your. get complete information on seat leon gas tank sizes. Standard size of seat leon fuel tank. seat leon fuel tank capacity vary according to year of production, body type, fuel type, transmission or power. explore the seat leon 4 1.5 tsi 150hp 2020, 2021, 2022, 2023, 2024 detailed specs,. Car. Fuel Tank Capacity Seat Leon.
From www.youtube.com
Seat Leon Fr 2023 Reseña YouTube Fuel Tank Capacity Seat Leon Standard size of seat leon fuel tank. seat leon fuel tank capacity vary according to year of production, body type, fuel type, transmission or power. get complete information on seat leon gas tank sizes. Find out how many liters in your. Car a rac presents official data of car fuel capacity. explore the seat leon 4 1.5. Fuel Tank Capacity Seat Leon.
From workshop-manuals.com
SEAT Service and Repair Manuals > Leon Mk1 > Engine, mechanics Fuel Tank Capacity Seat Leon Car a rac presents official data of car fuel capacity. Find out how many liters in your. get complete information on seat leon gas tank sizes. Standard size of seat leon fuel tank. explore the seat leon 4 1.5 tsi 150hp 2020, 2021, 2022, 2023, 2024 detailed specs,. seat leon fuel tank capacity vary according to year. Fuel Tank Capacity Seat Leon.
From garage-mahieu.com
Fuel tank pipe SEAT LEON 1M1 1.9 TDI 05/2003 1J0201293F Garage Mahieu Fuel Tank Capacity Seat Leon explore the seat leon 4 1.5 tsi 150hp 2020, 2021, 2022, 2023, 2024 detailed specs,. seat leon fuel tank capacity vary according to year of production, body type, fuel type, transmission or power. get complete information on seat leon gas tank sizes. Car a rac presents official data of car fuel capacity. Standard size of seat leon. Fuel Tank Capacity Seat Leon.
From www.seatia.com
Seat Leon >> Fuel tank lid unit rear lid General body Fuel Tank Capacity Seat Leon seat leon fuel tank capacity vary according to year of production, body type, fuel type, transmission or power. Find out how many liters in your. get complete information on seat leon gas tank sizes. Standard size of seat leon fuel tank. explore the seat leon 4 1.5 tsi 150hp 2020, 2021, 2022, 2023, 2024 detailed specs,. Car. Fuel Tank Capacity Seat Leon.
From www.megaparts.eu
Fuel tank for Seat Leon (1M) 1.6 16V, 105 hp, 2002 Price € 5.98 Fuel Tank Capacity Seat Leon explore the seat leon 4 1.5 tsi 150hp 2020, 2021, 2022, 2023, 2024 detailed specs,. seat leon fuel tank capacity vary according to year of production, body type, fuel type, transmission or power. get complete information on seat leon gas tank sizes. Standard size of seat leon fuel tank. Find out how many liters in your. Car. Fuel Tank Capacity Seat Leon.
From automobilio.info
SEAT Leon car technical data. Car specifications. Vehicle fuel Fuel Tank Capacity Seat Leon Standard size of seat leon fuel tank. get complete information on seat leon gas tank sizes. Car a rac presents official data of car fuel capacity. Find out how many liters in your. explore the seat leon 4 1.5 tsi 150hp 2020, 2021, 2022, 2023, 2024 detailed specs,. seat leon fuel tank capacity vary according to year. Fuel Tank Capacity Seat Leon.
From workshop-manuals.com
SEAT Service and Repair Manuals > Leon Mk1 > Power unit > 4 Fuel Tank Capacity Seat Leon Find out how many liters in your. seat leon fuel tank capacity vary according to year of production, body type, fuel type, transmission or power. Standard size of seat leon fuel tank. get complete information on seat leon gas tank sizes. Car a rac presents official data of car fuel capacity. explore the seat leon 4 1.5. Fuel Tank Capacity Seat Leon.
From lessonluft.z19.web.core.windows.net
Vehicle Fuel Tank Size Fuel Tank Capacity Seat Leon Car a rac presents official data of car fuel capacity. Find out how many liters in your. get complete information on seat leon gas tank sizes. Standard size of seat leon fuel tank. seat leon fuel tank capacity vary according to year of production, body type, fuel type, transmission or power. explore the seat leon 4 1.5. Fuel Tank Capacity Seat Leon.
From garage-mahieu.com
Fuel tank pipe SEAT LEON 1M1 1.9 TDI 05/2003 1J0201293F Garage Mahieu Fuel Tank Capacity Seat Leon Find out how many liters in your. Standard size of seat leon fuel tank. explore the seat leon 4 1.5 tsi 150hp 2020, 2021, 2022, 2023, 2024 detailed specs,. get complete information on seat leon gas tank sizes. seat leon fuel tank capacity vary according to year of production, body type, fuel type, transmission or power. Car. Fuel Tank Capacity Seat Leon.
From workshop-manuals.com
SEAT Service and Repair Manuals > Leon Mk1 > Power unit 4 Fuel Tank Capacity Seat Leon seat leon fuel tank capacity vary according to year of production, body type, fuel type, transmission or power. Find out how many liters in your. Car a rac presents official data of car fuel capacity. Standard size of seat leon fuel tank. get complete information on seat leon gas tank sizes. explore the seat leon 4 1.5. Fuel Tank Capacity Seat Leon.
From webautocats.com
Seat Leon/Leon 4 (2013 2016) Fuel tank with attachments. > ETKA Fuel Tank Capacity Seat Leon get complete information on seat leon gas tank sizes. seat leon fuel tank capacity vary according to year of production, body type, fuel type, transmission or power. Standard size of seat leon fuel tank. Car a rac presents official data of car fuel capacity. explore the seat leon 4 1.5 tsi 150hp 2020, 2021, 2022, 2023, 2024. Fuel Tank Capacity Seat Leon.
From www.ebay.co.uk
Fuel Petrol Gasoline Tank Filler Cap For VW Audi Seat Leon Toledo Skoda Fuel Tank Capacity Seat Leon Car a rac presents official data of car fuel capacity. Find out how many liters in your. get complete information on seat leon gas tank sizes. explore the seat leon 4 1.5 tsi 150hp 2020, 2021, 2022, 2023, 2024 detailed specs,. Standard size of seat leon fuel tank. seat leon fuel tank capacity vary according to year. Fuel Tank Capacity Seat Leon.